超高速电脑无梭多针绗缝机
HY-W-SJS-3S
HY-W-SJS-3S(Y)
超高速电脑无梭多针绗缝机
超高速 | 欧标 | 加宽 | 高效
NO.1
用途:绗缝高级床垫、床上用品、居家装饰等各种各样花纹。
1】三轴采用伺服驱动,独立花效率提升30%以上。
2】托板提高,调钩仔操作更加方便。
3】配置Y轴减速箱,运转更加顺畅、静音。
4】新型拨线架结构,噪声小。
5】压板高低根据材料厚薄电脑调节。
6】绗缝线迹更紧实,绗缝图案“立体”更强烈。
7】针排和压板采用无凸轮的双摆臂运动机构,避免润滑油沾污布料的情况发生。
8】面、底线断线红外线检查自动停机,自动提针及数字调速。
9】通过CE认证的安全保护标准。
10】高刚度机身,机器运转速度高、震动轻、噪音低、无撞击。
11】新一代电脑控制系统,绗缝精度高,绗缝过程中无需过多的参数调整或修改图案。
12】CAD绘图方法,图形精确,方便快捷。
13】强大的花模组合及多次跨步功能,可在各种大小的床垫里绗缝出每行各个不相同的图案。
14】状态监测,机器的运行情况一目了然。
NO.2
参数 [单位:mm] | HY-W-SJS-3S | HY-W-SJS-3S(Y) |
| 主机电箱 | 独立电箱 | 一体电箱 |
主机尺寸 | 4750×1500×2100 mm[长宽高] | 4700×1500×2100 mm[长宽高] |
绗 缝 宽 度 | 2480 mm | 2480 mm |
切条宽度 | NO | NO |
针排距 | 50.8,76.2,127(5寸) 76.2,76.2,152.4(6寸) | 50.8,76.2,127(5寸) 76.2,76.2,152.4(6寸) |
针距 | 25.4 mm | 25.4 mm |
X-行程 | 350 mm | 350 mm |
绗缝厚度 | ≤80 mm[所有图案] | ≤80 mm[所有图案] |
步长 | 3~8 mm | 3~8 mm |
生产速度 | 60~350 [米/小时] | 60~350 [米/小时] |
车针型号 | 24/180、23/160、22/140、21/130 | 24/180、23/160、22/140、21/130 |
主轴转速 | 600~1400 [转/分钟] | 600~1400 [转/分钟] |
功率 | 9 KW | 9 KW |
电压 | 380V/50HZ / 220V/60HZ | 380V/50HZ / 220V/60HZ |
全机重量 | 5600 kg | 5600 kg |
NO.3
产品主机
Leading Brand
HY-W-SJS-3S / 3S(Y)
可选择:独立电箱 / 一体电箱
外观1:HY-W-SJS-3S

外观2:HY-W-SJS-3S(Y)

NO.4
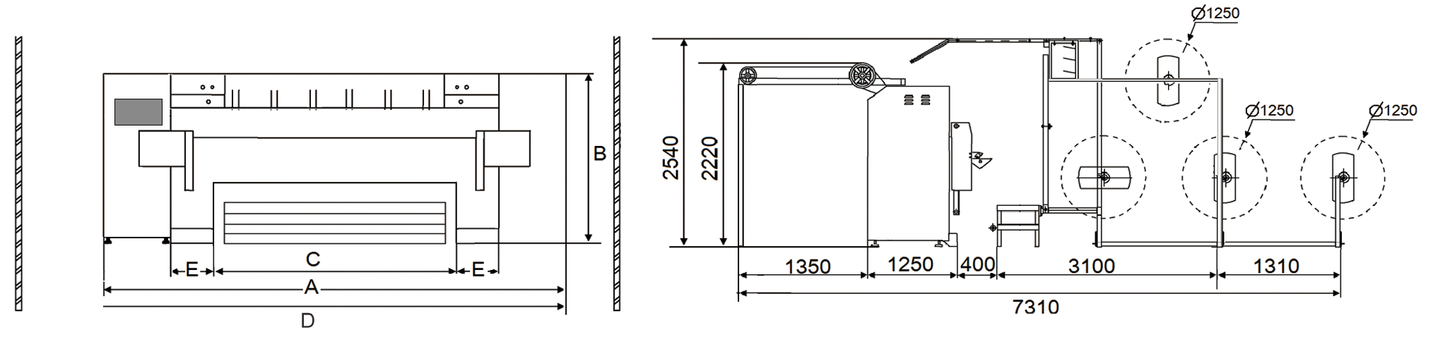
机型 | HY-W-SJS-3S(Y ) | HY-W-SJS-3(Y ) | HY-W-SJ | HY-W-BSJ | HY-W-BSJ-3 | HY-W-JH |
A | 4700 | 4700 | 4795 | 4795 | 4700 | 4840 |
B | 2100 | 2100 | 2050 | 2050 | 2100 | 2000 |
C | 2820 | 2820 | 2800 | 2800 | 2870 | 2940 |
D | 5400 | 5400 | 5460 | 5460 | 5400 | 5540 |
E | 670 | 670 | 500 | 500 | 670 | 350 |

| 机型 | HY-W-SJS-3S(Y ) | HY-W-SJS-3(Y ) | HY-W-JH |
| A | 4750 | 4750 | 4810 |
| B | 2100 | 2100 | 2000 |
| C | 2820 | 2820 | 2940 |
| E | 670 | 670 | 350 |

机械细节
Details


绗缝效果
Quilted Effect



组合方案
Combination scheme
绗缝机 | 四边缝裁机 | 裁剪机 | 叠料机 | 卷布装置 ,可根据客户公司的需求推荐最合适您的绗缝组合方案!
HY-W-SJS-3S(Y ) 绗缝机
HY-FQ-2 四边绗裁机
HY-D-1 叠料机




